zoty中欧体育

English zoty中欧体育集团企业邮箱

第四节 烧伤湿性医疗手艺对表皮再生干细胞作用的研究报告

作者:中国中西医团结学会烧伤专业委员会 出书社:中国医药科技出书社 刊行日期:2000年6月

[摘要] 目的:探索烧伤湿性医疗手艺于浅Ⅲ度烧伤时脂肪层烧伤创面自然修复的机制。。。。。。。要领:应用细胞免疫化学要领生物素-抗生物素卵白(biotin-avidin)DCS系统间接免疫荧光手艺。。。。。。。以小鼠抗人角卵白19的单克隆抗体检测表皮再生干细胞。。。。。。。效果:烧伤后24h可见表皮再生干细胞泛起。。。。。。。烧伤后4天表皮再生干细胞数目增多。。。。。。。

烧伤后7天和14天表皮再生干细胞数目最多。。。。。。。烧伤后21天和28天表皮再生干细胞镌汰。。。。。。。结论:烧伤湿性医疗手艺对浅Ⅲ度烧伤剩余组织中的再生表皮干细胞具有增进其激活和增生的作用。。。。。。。

[要害词] 烧伤 湿性医疗手艺 表皮干细胞 细胞免疫化学

烧伤湿性医疗手艺是烧伤治疗学上的具有立异性的治疗学术系统。。。。。。。现在已乐成并普及推广的治疗手艺为烧伤湿润袒露疗法与湿润烧伤膏。。。。。。。在临床上乐成地解决了烧伤创面的疼痛、创面熏染、创面的举行性坏死、烧伤深Ⅱ度创面的瘢痕愈合等四大国际烧伤难题。。。。。。。最近又取得了在Ⅲ度烧伤创面脂肪组织上再生皮肤的效果。。。。。。。深Ⅱ度烧伤和浅Ⅲ度烧伤使损伤的皮肤不再存留表皮基底层的干细胞。。。。。。。因此 ,, ,,,使脂肪层烧伤创面自然修复的表皮再生干细胞的泉源确实是值得深入研究的。。。。。。。

材 料 与 方 法

1. 取材 以下2例患者受伤后连忙接纳烧伤湿性医疗手艺治疗。。。。。。。

第1例:6岁男孩 ,, ,,,热水烫伤 ,, ,,,背部、双下肢。。。。。。。烫伤面积达33%。。。。。。。深Ⅱ度烫伤。。。。。。。

第2例:24岁男性青年 ,, ,,,火焰烧伤四肢。。。。。。。烧伤面积25% ,, ,,,深Ⅱ度、浅Ⅲ度烧伤。。。。。。。

以上2例于正常部位及伤后24h、4天、7天、14天、21天、28天患处取皮肤或组织 ,, ,,,连忙放入冻存管于液氮中生涯。。。。。。。然后放入OCT冷冻剂复合物(Tissue-Tek OCT Compound)中包埋 ,, ,,,于液氮中冷冻。。。。。。。恒冷箱冰冻切片 ,, ,,,厚度10祄。。。。。。。

2. 生物素—抗生物素卵白DCS系统间接免疫荧光染色 先将冰冻切片用10%的马血清于4℃孵育20min ,, ,,,然后滴加1:20稀释的小鼠抗人角卵白19型单克隆抗体(第1抗体)4℃孵育住宿。。。。。。。切片在磷酸缓冲液中涮洗后加第2抗体 ,, ,,,即7.5礸/ml生物素化的马抗小鼠IgG抗体(Vector Laboratories Burlingame, CA, USA) ,, ,,,4℃孵育1h。。。。。。。涮洗后 ,, ,,,加10礸/ml荧光素-抗生物素卵白DCS(Vector Laboratories Burlingame, CA, USA)于4℃孵育1h。。。。。。。将切片涮洗清洁后 ,, ,,,用含10%PBS和1%对苯基二胺(P-phenylenediamine)的甘油做介质封片。。。。。。。比照染色切片 ,, ,,,则不加第1抗体。。。。。。。标本在Olympus反射式荧鲜明微镜下视察 ,, ,,,并用ASA400 KODAK胶卷照相。。。。。。。

结 果

用特异的小鼠抗人角卵白19型的单克隆抗体(McAb)对正常和烧伤皮肤免疫细胞化学视察效果批注 ,, ,,,两例正常皮肤表皮再生干细胞数目较少 ,, ,,,可见少量显示荧光的表皮细胞再生干细胞(图5-4-1) ,, ,,,即角卵白19型阳性细胞。。。。。。。烧伤后24h ,, ,,,荧鲜明微镜下 ,, ,,,显示荧光的表皮再生干细胞数目中等水平(图5-4-2) ,, ,,,烧伤后4天 ,, ,,,在汗腺、毛细血管和毛囊周围可见最先增多的潜在表皮干细胞(图5-4-3)。。。。。。。

烧伤后7天(图5-4-4),烧伤后14天(图5-4-5) ,, ,,,在该两时间点镜下可见比烧伤后4天继续增多的表皮再生干细胞。。。。。。。潜在的再生干细胞即含人角卵白19型细胞的数目抵达烧伤疗程中的峰值(数目最多)。。。。。。。至烧伤后21天(图5-4-6)和28天(图5-4-7)两时间点潜在再生干细胞数目又减至一定的水平。。。。。。。视察中发明患者经湿性烧伤医疗手艺治疗后 ,, ,,,潜在再生干细胞的增生状态有一定的转变纪律。。。。。。。潜在再生干细胞可能是表皮再生的干细胞的泉源 ,, ,,,这些在荧鲜明微镜下显示荧光的细胞是深Ⅱ度和浅Ⅲ度烧伤后还保存的潜在的表皮再生干细胞。。。。。。。这些细胞可使烧伤湿性医疗手艺治疗的深Ⅱ度烧伤无瘢痕愈合 ,, ,,,浅Ⅲ度烧伤皮肤再生。。。。。。。

讨 论

国际上对细胞周期的深入研究批注 ,, ,,,细胞周期与心理性再生、创伤修复有亲近的关系。。。。。。。有些细胞恒久障碍于G0期或G1期 ,, ,,,在一定条件下才泛起增生运动。。。。。。。有些细胞可一连举行破碎运动 ,, ,,,破碎后的部分子细胞分解为执行一定功效的成熟细胞 ,, ,,,部分子细胞则一直坚持一连增生能力 ,, ,,,称干细胞。。。。。。。皮肤表皮基底层干细胞可一直举行破碎 ,, ,,,新生的细胞向上方移动 ,, ,,,在抵达棘层深部时可再破碎二或三次 ,, ,,,然后失去细胞破碎能力。。。。。。。

深Ⅱ度和浅Ⅲ度烧伤损伤了皮肤表皮和真皮深层 ,, ,,,表皮基底层的干细胞所有受到破损。。。。。。。剩余于皮下组织的毛囊、汗腺 ,, ,,,以及毛细血管周围的间充质细胞都有可能提供表皮再生的干细胞。。。。。。。由于这些再生干细胞能合成特有的细胞角卵白(19型) ,, ,,,以是可接纳免疫细胞化学要领识别这些细胞。。。。。。。zoty中欧体育研究接纳了抗人角卵白19型单克隆抗体 ,, ,,,应用生物素-抗生物素卵白DCS系统间接免疫荧光手艺 ,, ,,,能够准确、特异地检测出深Ⅱ度和浅Ⅲ度烧伤后剩余于皮下组织的表皮再生干细胞。。。。。。。经由烧伤湿性医疗手艺治疗后 ,, ,,,于烧伤后7天至14天阶段 ,, ,,,潜在的再生干细胞即显示人角卵白19型免疫组织化学标记物的细胞数目抵达峰值。。。。。。。这些显示间接免疫荧光的细胞就是供脂肪层烧伤创面自然修复的表皮再生干细胞。。。。。。。由于烧伤湿润袒露疗法与湿润烧伤膏的治疗作用 ,, ,,,可能激活了休眠状态的潜在的表皮再生干细胞的增生。。。。。。。这有力地包管了深Ⅱ度或浅Ⅲ度烧伤 ,, ,,,经烧伤湿性医疗手艺治疗后 ,, ,,,抵达烧伤创面自然修复、无瘢痕愈合的疗效。。。。。。。该手艺扫除了烧伤患者的瘢痕陪同终生的痛苦。。。。。。。

表皮再生干细胞在移动和举行细胞破碎后 ,, ,,,爆发合成其他类型角卵白(9型和16型)的细胞 ,, ,,,这些细胞仍有移动能力。。。。。。。然后 ,, ,,,它们破碎增天生的细胞合成较硬的角卵白(1型和10型) ,, ,,,这是成熟的表皮细胞所含的典范角卵白。。。。。。。由此体现了烧伤湿性医疗手艺对表皮再生干细胞具有增进其激活和增生的作用。。。。。。。

研究批注细胞从静止期释放出来 ,, ,,,首先被激活的周期卵白就是cyclin D ,, ,,,只有受到生长因子刺激后 ,, ,,,它才表达。。。。。。。真核细胞生物在细胞的G1期决议进入增生状态照旧退出周期。。。。。。。G1限期制点的主要调控者是cyclin D1/CDK4复合体。。。。。。。为了深入研究烧伤湿性医疗手艺疗效作用机制 ,, ,,,我们将进一步探索表皮再生干细胞细胞周期的基因调控。。。。。。。

        

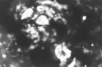
图5-4-1 正常皮肤、未见角卵白19型阳性细胞  ×200

        

图5-4-2 经MEBT/MEBO治疗烧伤后 24h ,, ,,,可见中等水平卵白19型阳性细胞   ×200

        

图5-4-3经MEBT/MEBO治疗烧伤后4天 ,, ,,,角卵白19型阳性细胞增多  ×200

        

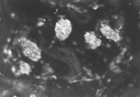
图5-4-4 经MEBT/MEBO治疗 ,, ,,,烧伤后7天 ,, ,,,角卵白19型阳性细胞数目达峰值  ×200

        

图5-4-5 经MEBT/MEBO治疗 ,, ,,,烧伤后14天 ,, ,,,角质卵白19型阳性细胞数目达峰值  ×200

        

图5-4-6 经MEBT/MEBO治疗 ,, ,,,烧伤后21天 ,, ,,,角卵白19型阳性细胞镌汰  ×200

        

图5-4-7 经MEBT/MEBO治疗 ,, ,,,烧伤后28天 ,, ,,,角卵白19型阳性细胞镌汰  ×200

图5-4-1图5-4-7均为应用小鼠抗人角卵白19型单克隆抗体于冰冻切片染色(生物素-抗生物素卵白DSC系统间接免疫荧光)照片。。。。。。。

(徐荣祥 ,, ,,, 许增禄)

【网站地图】【sitemap】