zotyÖÐÅ·ÌåÓý

English zotyÖÐÅ·ÌåÓý¼¯ÍÅÆóÒµÓÊÏä

µÚÊ®¶þ½Ú ÉÕÉËʪÐÔÒ½ÁÆÊÖÒÕ¶Ô´´ÃæË®·ÖÕô·¢Á¿Ó°ÏìµÄʵÑéÑо¿

×÷ÕߣºÖйúÖÐÎ÷ҽ͎áѧ»áÉÕÉËרҵίԱ»á ³öÊéÉ磺ÖйúÒ½Ò©¿Æ¼¼³öÊéÉç ¿¯ÐÐÈÕÆÚ£º2000Äê6ÔÂ

[ÕªÒª] ½ÓÄɼÒÍÃÉîII¶ÈÉÕÉËÄ£×Ó£¬£¬£¬£¬ £¬£¬ £¬ £¬ÒÔ×ÔÈ»¸ÉÔï¼°·²Ê¿ÁÖΪ±ÈÕÕ£¬£¬£¬£¬ £¬£¬ £¬ £¬ÊÓ²ìMEBT¶ÔÉÕÉË´´ÃæË®·ÖÕô·¢Á¿µÄÓ°Ïì¡£¡£¡£¡£¡£Ð§¹ûÅú×¢£¬£¬£¬£¬ £¬£¬ £¬ £¬MEBTÄÜÓÐÓõØ×èÖ¹ÉÕÉË´´ÃæË®·ÖÕô·¢£¬£¬£¬£¬ £¬£¬ £¬ £¬ïÔÌ­ÌåҺɥʧ¡£¡£¡£¡£¡£ÔçÆÚÀûÓÚÉÕÉ˵ÄÐÝ¿ËËÕÐÑ£¬£¬£¬£¬ £¬£¬ £¬ £¬Òº»¯ÆÚ¿ÉÒÔ±ÜÃâ¸ßÕÅÐÔÍÑË®£¬£¬£¬£¬ £¬£¬ £¬ £¬ÐÞ¸´ÆÚÔòΪÉÕÉË´´ÃæµÄÔÙÉúÐÞ¸´ÌṩÁ˽üËÆÓÚÐÄÀíµÄÇéÐΡ£¡£¡£¡£¡£

[Òªº¦´Ê] MEBT ÉÕÉË´´Ãæ Õô·¢

ÓÉÓÚÉÕÉË´´Ãæ²»ÏÔÐÔʧˮÔì³ÉµÄÌåҺɥʧ£¬£¬£¬£¬ £¬£¬ £¬ £¬Êǵ¼ÖÂÉÕÉËÐݿ˱¬·¢ÓëÉú³¤µÄÖ÷ÒªÒòËØÖ®Ò»¡£¡£¡£¡£¡£±¾ÊµÑéͨ¹ý¶Ô¼ÒÍÃÏàͬÉÕÉËÉî¶È¡¢²î±ðÖÎÁÆÒªÁìµÄ´´ÃæÕô·¢Á¿¾ÙÐÐÒ»Á¬ÊӲ죬£¬£¬£¬ £¬£¬ £¬ £¬Ñо¿ÊªÈó̻¶ÁÆ·¨(MEBT)¶ÔÉÕÉË´´ÃæË®·ÖÕô·¢Á¿µÄÓ°Ïì¼ÍÂɼ°ÒâÒå¡£¡£¡£¡£¡£

²Ä ÁÏ Óë Éè ¼Æ

1. ±¾ÊµÑéÊÇÔÚµÚÊ®½ÚµÄ»ù´¡ÉϽøÒ»²½Éè¼Æ¶øÍê³ÉµÄ¡£¡£¡£¡£¡£ËùÓÃÆ÷²Ä¡¢¶¯ÎïÉÕÉËÄ£×ÓµÄÖÆ×÷¼°ÊµÑéÇéÐÎÌõ¼þ¾ùͬµÚÊ®½Ú¡£¡£¡£¡£¡£

2. ʵÑé¹²ÖÆ×÷¼ÒÍÃÉî¢ò¶ÈÉÕÉË´´Ãæ84´¦£¬£¬£¬£¬ £¬£¬ £¬ £¬Ëæ»ú³éÈ¡34´¦½ÓÄÉMEBTÖÎÁÆ(ʪÁÆ×é)£¬£¬£¬£¬ £¬£¬ £¬ £¬ÔÙ³éÈ¡34´¦Ì»Â¶×ÔÈ»¸ÉÔï(±ÈÕÕ×é)£¬£¬£¬£¬ £¬£¬ £¬ £¬ÆäÓà16´¦´´ÃæÍ¿·²Ê¿ÁÖ(·²Ê¿ÁÖ×é)¡£¡£¡£¡£¡£ÏêϸҪÁìΪ£ºÊªÁÆ×éÑϿᰴMEBTµÄÓÃÒ©Ô­ÔòÖÎÁÆ£¬£¬£¬£¬ £¬£¬ £¬ £¬Í¿Ò©ºñ¶ÈΪ1mm¡£¡£¡£¡£¡£ÔçÆÚ¼°ÐÞ¸´ÆÚ6¡«8h»»Ò©Ò»´Î£¬£¬£¬£¬ £¬£¬ £¬ £¬Òº»¯ÆÚ4h»»Ò©Ò»´Î£¬£¬£¬£¬ £¬£¬ £¬ £¬×öµ½´´ÃæÊ¼ÖÕÓÐÒ©Î﹩Ӧ£»£»£»£»£»£»±ÈÕÕ×éÉ˺ó̻¶×ÔÈ»¸ÉÔ£»£»£»£»£»·²Ê¿ÁÖ×éͿҩºñ¶Èʵʱ¼ä¾àÀëͬʪÁÆ×é¡£¡£¡£¡£¡£

3. ÒÔʪÁÆ×é´´Ãæ×ª±äΪ»ù×¼£¬£¬£¬£¬ £¬£¬ £¬ £¬½«Õô·¢Á¿²â¶¨µÄʱÏàµãÉ趨ΪÉËǰ¡¢É˺óÔçÆÚ(É˺ó8hÄÚ)¡¢Òº»¯ÔçÆÚ¡¢Òº»¯á¯ÁëÆÚ¡¢ÐÞ¸´ÆÚ¼°ÓúºÏºó¡£¡£¡£¡£¡£Êý¾Ý²âÈ¡¾ùÒªÇóÔÚͿҩºó2¡«3hÒ©Îïλ¯²¢ÔȳÆÁýÕÖ´´ÃæÊ±¾ÙÐС£¡£¡£¡£¡£

ʵ Ñé ½á ¹û

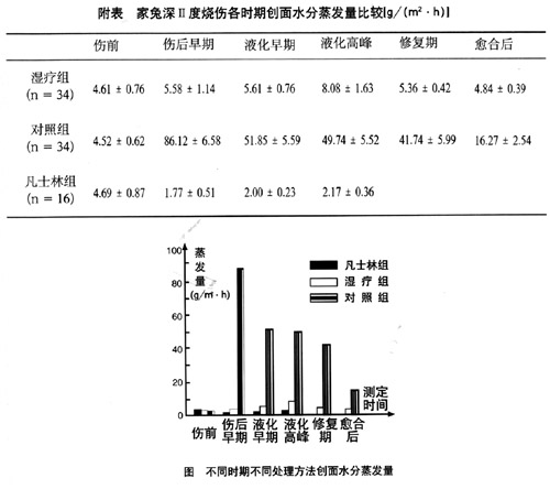
ÉÕÉ˺󣬣¬£¬£¬ £¬£¬ £¬ £¬±ÈÕÕ×é´´ÃæË®·ÖÕô·¢Á¿´ó·ù¶ÈÔöÌí£¬£¬£¬£¬ £¬£¬ £¬ £¬¿É´ïÕý³£Æ¤·ôµÄ19±¶£¬£¬£¬£¬ £¬£¬ £¬ £¬É˺ó6¡«8hÒÔºó³ÊÖð½¥Ï½µÇ÷ÊÆ£¬£¬£¬£¬ £¬£¬ £¬ £¬Ö±ÖÁ´´ÃæÓúºÏÒÔºóÆäË®·ÖÕô·¢Á¿Ê¼ÖÕδ½µµ½ÉËǰÕý³£Æ¤·ôµÄˮƽ¡£¡£¡£¡£¡£ÊªÁÆ×é´´ÃæË®·ÖÕô·¢Á¿ÔÚÉ˺óÒ²Á¬Ã¦Ôö¸ß£¬£¬£¬£¬ £¬£¬ £¬ £¬µ«ÏÔ×ŵÍÓÚ±ÈÕÕ×飬£¬£¬£¬ £¬£¬ £¬ £¬ÔÚÔçÆÚԼΪ±ÈÕÕ×éµÄ1/16£»£»£»£»£»£»ÒԺ󣬣¬£¬£¬ £¬£¬ £¬ £¬ËæÒº»¯·´Ó¦µÄÔöÇ¿,Æä´´ÃæË®·ÖÕô·¢Á¿Ò²ËæÖ®ÉÏÉý£¬£¬£¬£¬ £¬£¬ £¬ £¬Òº»¯á¯ÁëʱÆäÕô·¢Á¿Ò²´ïá¯Á룬£¬£¬£¬ £¬£¬ £¬ £¬´ËºóÖð½¥Ï½µ£»£»£»£»£»£»ÐÞ¸´ÆÚÕô·¢Á¿ÓëÊÜÉËÔçÆÚÎÞÏÔ×Ųî±ð(P£¾0.05£©£»£»£»£»£»£»´´ÃæÓúºÏºóË®·ÖÕô·¢Á¿»ù±¾»Ö¸´ÖÁÉËǰÕý³£Æ¤·ôµÄˮƽ¡£¡£¡£¡£¡£·²Ê¿ÁÖ×éµÄ´´ÃæË®·ÖÕô·¢Á¿ÔòʼÖÕά³ÖÔÚÒ»¸ö½ÏÁ¿ºã¶¨µÄµÍˮƽÉÏ£»£»£»£»£»£»½øÈëÐÞ¸´ÆÚºó£¬£¬£¬£¬ £¬£¬ £¬ £¬ÓÉÓڴ󲿷ִ´Ã汬·¢Ñ¬È¾£¬£¬£¬£¬ £¬£¬ £¬ £¬Õô·¢Á¿Î´½øÒ»²½¼à²â¡£¡£¡£¡£¡£¼û¸½±í¡£¡£¡£¡£¡£

ÌÖ ÂÛ

Ƥ·ôÊÇÈËÌå»ò¶¯ÎïÌå×î´ó¡¢×îÖ÷ÒªµÄÊÇÆ÷¹ÙÖ®Ò»£¬£¬£¬£¬ £¬£¬ £¬ £¬ÊÇ»úÌåÖ÷ÒªµÄ±£»£»£»£»£»£»¤Ä¤£¬£¬£¬£¬ £¬£¬ £¬ £¬Ò»µ©±¬·¢ÉÕÉË£¬£¬£¬£¬ £¬£¬ £¬ £¬ÕâÖÖ±£»£»£»£»£»£»¤Ä¤µÄ¹¦Ð§Ôâµ½ÆÆË𣬣¬£¬£¬ £¬£¬ £¬ £¬Æä×èÖ¹ÌåÄÚË®·ÖÕô·¢¹¦Ð§Ò²ËæÖ®Ëðʧ¡£¡£¡£¡£¡£±¾ÊµÑé´Ó´´ÃæÌåҺɥʧµÄ½Ç¶È¶ÔMEBT¾ÙÐÐÑо¿£¬£¬£¬£¬ £¬£¬ £¬ £¬Ð§¹ûÅú×¢£¬£¬£¬£¬ £¬£¬ £¬ £¬MEBT¶ÔÉÕÉË´´ÃæË®·ÖÕô·¢Á¿µÄÓ°ÏìÔÚÕû¸ö´´ÃæÐÞ¸´Àú³ÌÖв»µ«±£´æÒ»¶¨µÄ¼ÍÂÉ£¬£¬£¬£¬ £¬£¬ £¬ £¬²¢ÇÒ¸÷ÓÐÆäÌØÊâµÄÒâÒå¡£¡£¡£¡£¡£

1.ÔçÆÚ ÉÕÉËÔçÆÚ´´ÃæÒ»¸öºÜÊÇÖ÷ÒªµÄ²¡Àíת±äÊÇëϸѪ¹Ü±Úͨ͸ÐÔÔö¸ß£¬£¬£¬£¬ £¬£¬ £¬ £¬Ê¹º¬¸»ºñÂѰ×Öʼ°µç½âÖʵÄÌåÒº´ó×Úɥʧ£¬£¬£¬£¬ £¬£¬ £¬ £¬ÓÐÓÃÑ­»·ÑªÁ¿Ï½µ£¬£¬£¬£¬ £¬£¬ £¬ £¬ÒýÆðÐݿˡ£¡£¡£¡£¡£

ëϸѪ¹Üͨ͸ÐÔÔö¸ßÉøÍ¸µÄÌåÒº£¬£¬£¬£¬ £¬£¬ £¬ £¬Ò»²¿·Ö½øÈ뵽ϸ°û¼ä϶(µÚÈý¼ä϶)£¬£¬£¬£¬ £¬£¬ £¬ £¬Ôì³É×é֯ˮÖ×£»£»£»£»£»£»ÁíÒ»²¿·ÖÔò´Ó´´ÃæÒÔÉøÍ¸ºÍ²»ÏÔÐÔË®·ÖÕô·¢µÄÐÎʽɥʧ¡£¡£¡£¡£¡£ÏÖÔÚÉÐûÓиüºÃµÄÒªÁìÀ´×èÖ¹ÉÕÉ˺óëϸѪ¹ÜµÄÉøÍ¸¡£¡£¡£¡£¡£Òò´Ë£¬£¬£¬£¬ £¬£¬ £¬ £¬ÈôÊÇÄÜÓÐÓõØ×èÖ¹ÓÉ´´ÃæÒýÆðµÄÌåҺɥʧ£¬£¬£¬£¬ £¬£¬ £¬ £¬¶Ô¼õÇáÉÕÉËÐÝ¿Ëˮƽ¡¢½µµÍÐݿ˱¬·¢ÂÊÒ²¾ßÓÐÊ®·ÖÖ÷ÒªµÄÒâÒå¡£¡£¡£¡£¡£

´Ó±¾ÊµÑé»ñµÃµÄÊý¾ÝÀ´¿´£¬£¬£¬£¬ £¬£¬ £¬ £¬MEBOÓ뷲ʿÁÖ¾ùÄÜÓÐÓõØ×èÖ¹´´ÃæË®·ÖÕô·¢£¬£¬£¬£¬ £¬£¬ £¬ £¬MEBO×èÖ¹´´ÃæË®·ÖÕô·¢µÄÄÜÁ¦ÓëÕý³£Æ¤·ôºÜÊÇ¿¿½ü£¬£¬£¬£¬ £¬£¬ £¬ £¬ÔÚÔçÆÚΪÕý³£Æ¤·ôµÄ1.19±¶£»£»£»£»£»£»¶ø·²Ê¿ÁÖÕâÒ»×÷ÓÃÔòÏԵá°¹ýÇ¿¡±£¬£¬£¬£¬ £¬£¬ £¬ £¬Êý¾ÝÏÔʾÆä×èÖ¹´´ÃæË®·ÖÕô·¢µÄÄÜÁ¦Áè¼ÝÕý³£Æ¤·ô£»£»£»£»£»£»×ÔÈ»¸ÉÔï×é´´ÃæË®·ÖÕô·¢Á¿×î´ó£¬£¬£¬£¬ £¬£¬ £¬ £¬ÔÚÔçÆÚΪÕý³£Æ¤·ôµÄ19.05±¶£¬£¬£¬£¬ £¬£¬ £¬ £¬ÊÇʪÁÆ×éµÄ15.72±¶¡£¡£¡£¡£¡£

ÈôÊÇ´¿´â´Ó±ÜÃâÌåҺɥʧÕâ¸ö½Ç¶È¿´£¬£¬£¬£¬ £¬£¬ £¬ £¬ÉÕÉË´´ÃæÍ¿·²Ê¿ÁÖ»òÓ¦ÓÃMEBO¶¼ÄÜÏÔ×ÅïÔÌ­´´ÃæÌåҺɥʧ¡£¡£¡£¡£¡£µ«ÒÑÓÐʵÑéÅú×¢£¬£¬£¬£¬ £¬£¬ £¬ £¬ÆñÂÛÊDZÈÕÕ×éµÄ¡°¸ÉÔ£¬£¬£¬£¬ £¬£¬ £¬ £¬Õվɷ²Ê¿ÁÖËùÔì³ÉµÄ¡°¹ýʪ¡±£¬£¬£¬£¬ £¬£¬ £¬ £¬¶¼¶Ô´´ÃæÔì³ÉÁËÑÏÖØËðÉË¡£¡£¡£¡£¡£ÓÉ´Ë¿´À´£¬£¬£¬£¬ £¬£¬ £¬ £¬ÉÕÉËÔçÆÚÓ¦ÓÃMEBO£¬£¬£¬£¬ £¬£¬ £¬ £¬Ò»·½Ãæ¿ÉÒÔÓÐÓõØ×èÖ¹´´ÃæË®·ÖÕô·¢£¬£¬£¬£¬ £¬£¬ £¬ £¬ïÔÌ­ÌåҺɥʧ£¬£¬£¬£¬ £¬£¬ £¬ £¬½µµÍÉÕÉËÐݿ˵ı¬·¢ÂÊ£¬£¬£¬£¬ £¬£¬ £¬ £¬ÀûÓÚÐÝ¿ËËÕÐÑ£»£»£»£»£»£»ÁíÒ»·½Ãæ¿ÉÒÔÓÐÓõر£»£»£»£»£»£»¤´´Ãæ¡°ðöÖÍ´ø¡±×éÖ¯£¬£¬£¬£¬ £¬£¬ £¬ £¬±ÜÃâ´´Ãæ±¬·¢¾ÙÐÐÐÔËðÉË¡£¡£¡£¡£¡£

2.Òº»¯ÆÚ ËùνҺ»¯ÆÚÊÇÖ¸ÉÕÉË´´Ã滵ËÀ×éÖ¯ÔÚMEBOµÄ×÷ÓÃÏ£¬£¬£¬£¬ £¬£¬ £¬ £¬ÒÔÓÉ±í¼°ÀïµÄÒº»¯·½·¨É¨³ý´´Ãæ×îÏÈ£¬£¬£¬£¬ £¬£¬ £¬ £¬ÖÁ´´Ã滵ËÀ×é֯Ş¡ËùÂÄÀúµÄʱ¼ä£¬£¬£¬£¬ £¬£¬ £¬ £¬ÎªMEBTËùÌØÓС£¡£¡£¡£¡£±¾ÊµÑéʪÁÆ×é34¸ö´´Ã棬£¬£¬£¬ £¬£¬ £¬ £¬Òº»¯×îÏȼ°Òº»¯¿¢ÊÂµÄÆ½¾ùʱ¼ä»®·ÖΪ2.59Ìì¡¢11.35Ì죬£¬£¬£¬ £¬£¬ £¬ £¬ÒÔ´ËΪ±ê×¼£¬£¬£¬£¬ £¬£¬ £¬ £¬¶Ô·²Ê¿ÁÖ×é¼°±ÈÕÕ×é´´ÃæÉ˺ó3ÌìÖÁ11ÌìË®·ÖÕô·¢Á¿Ò²×öÏìÓ¦µÄÊÓ²ìͳ¼Æ¡£¡£¡£¡£¡£Ð§¹û£º±ÈÕÕ×é´´ÃæË®·ÖÕôÁ¿ËæÊ±¼äµÄÍÆÒÆÖð½¥Ï½µ£»£»£»£»£»£»¶ø·²Ê¿ÁÖ×é´´ÃæË®·ÖÕô·¢Á¿ÓëÉ˺óÔçÆÚÏà±ÈÎÞÏÔ×Åת±ä(P£¾0£®05)£»£»£»£»£»£»ÊªÁÆ×éËæ´´Ã滵ËÀ×éÖ¯Òº»¯ËÙÂʼÓËÙ£¬£¬£¬£¬ £¬£¬ £¬ £¬Ë®·ÖÕô·¢Á¿Ôö¸ß£¬£¬£¬£¬ £¬£¬ £¬ £¬Òº»¯á¯ÁëʱÆäÕô·¢Á¿Ò²´ï×î¸ßˮƽ£¬£¬£¬£¬ £¬£¬ £¬ £¬ÓëÉÕÉËÔçÆÚÏà±ÈÔöÌí47%£¬£¬£¬£¬ £¬£¬ £¬ £¬ÎªÕý³£Æ¤·ôµÄ1.75±¶£¬£¬£¬£¬ £¬£¬ £¬ £¬µ«Óë±ÈÕÕ×éÏà±ÈÈԵ͵ö࣬£¬£¬£¬ £¬£¬ £¬ £¬ÔÚÒº»¯á¯ÁëÆÚ½öΪ±ÈÕÕ×éµÄ1/6¡£¡£¡£¡£¡£ÊµÑéÖÐÎÒÃÇ»¹·¢Ã÷£¬£¬£¬£¬ £¬£¬ £¬ £¬ÈôÊÇ´´ÃæÉÏMEBOÒѱ»ºÄ¾¡¶øÓÖûÓÐʵʱÔö²¹Í¿Ò©£¬£¬£¬£¬ £¬£¬ £¬ £¬´´ÃæË®·ÖÕô·¢Á¿»á´ó·ù¶ÈÉÏÉý£¬£¬£¬£¬ £¬£¬ £¬ £¬Ôì³É´´Ãæ¸ÉÔïËðÉË£¬£¬£¬£¬ £¬£¬ £¬ £¬ÇÒÕâÖÖ¡°°ë¸É²»Êª¡±µÄ´´ÃæÔò¸üÒ×±¬·¢Ñ¬È¾¡£¡£¡£¡£¡£

Òº»¯ÆÚ±¬·¢ÉÏÊöÕ÷ÏóµÄ»úÖÆÎª£ºMEBOΪµ¥Èí¸à£¬£¬£¬£¬ £¬£¬ £¬ £¬ÔÚ䱬·¢ÖÎÁÆ×÷ÓÃÒÔǰÇ×Ö¬ÐÔÇ¿£¬£¬£¬£¬ £¬£¬ £¬ £¬Ê¹ÆäÄÜÓëÉÕÉË×é֯ϸÃÜ͎ᣬ£¬£¬£¬ £¬£¬ £¬ £¬´Ó¶øÓÐÓõØ×èÖ¹´´ÃæË®·ÖÕô·¢¡£¡£¡£¡£¡£µ±MEBOÓë´´Ãæ»µËÀ×éÖ¯±¬·¢×÷ÓÃÒԺ󣬣¬£¬£¬ £¬£¬ £¬ £¬ÐγÉÁËË®ÈÜÐԵġ°Òº»¯Î£¬£¬£¬£¬ £¬£¬ £¬ £¬Ç×Ö¬ÐÔÏûÊÅ£¬£¬£¬£¬ £¬£¬ £¬ £¬¶Ô´´Ãæ²»ÔÙ¾ßÓб£»£»£»£»£»£»¤×÷Óᣡ£¡£¡£¡£MEBOÕâÖÖÐÔ×ÓµÄת±ä¾ßÓкÜÊÇÖ÷ÒªµÄÒâÒ壺һ·½Ã棬£¬£¬£¬ £¬£¬ £¬ £¬Ç×Ö¬ÐÔÀûÓÚÒ©ÎïÓë´´Ãæ»µËÀ×éÖ¯¡¢´´ÃæÉøÍ¸Îï¡¢ÉøÍ¸Îï¼°´úл²úÆ·µÈ±¬·¢»¯Ñ§×÷Ó㻣»£»£»£»£»ÁíÒ»·½Ã棬£¬£¬£¬ £¬£¬ £¬ £¬Ç×Ö¬ÐÔÏûÊÅʹÐγɵġ°Òº»¯Î×Ô¶¯ÍÑÀë´´Ãæ£¬£¬£¬£¬ £¬£¬ £¬ £¬ÊµÏÖÁË´´Ãæ×Ô¶¯ÒýÁ÷µÄͨ³©¡£¡£¡£¡£¡£ËäÈ»ËæÒº»¯·´Ó¦µÄÔöÇ¿£¬£¬£¬£¬ £¬£¬ £¬ £¬´´ÃæË®·ÖÕô·¢Á¿Ò²ÓÐËùÉÏÉý£¬£¬£¬£¬ £¬£¬ £¬ £¬µ«Ö»ÒªÊµÊ±É¨³ýÒº»¯Î£¬£¬£¬ £¬£¬ £¬ £¬×öµ½´´Ã治ȱҩ£¬£¬£¬£¬ £¬£¬ £¬ £¬ÍêÈ«¿ÉÒÔʹ»úÌåÔÚÕý³£Òûʳ״̬ÏÂÉúÑÄ£¬£¬£¬£¬ £¬£¬ £¬ £¬¶ø²»ÐèÒªÌìÌìÁíÍâÔö²¹¸ü¶àµÄË®·Ö¡£¡£¡£¡£¡£ÕâÔÚÁÙ´²É϶ԱÜÃâÉÕÉ˺óÆÚ¸ßÉøÐÔÍÑË®¼°µç½âÖÊÔÓÂÒºÜÊÇÓÐÒâÒå¡£¡£¡£¡£¡£

3.ÐÞ¸´ÆÚ ÐÞ¸´ÆÚÊÇÉÕÉË´´ÃæÐÞ¸´µÄÒªº¦Ê±ÆÚ¡£¡£¡£¡£¡£ÊªÁÆ×éËæ´´ÃæÒº»¯ÎïïÔÌ­¼°ÉÏÆ¤µÄÉú³¤£¬£¬£¬£¬ £¬£¬ £¬ £¬Ë®·ÖÕô·¢Á¿Öð½¥Ï½µÖÁÉÕÉËÔçÆÚˮƽ£¬£¬£¬£¬ £¬£¬ £¬ £¬Á½Õß±ÈÕÕÎÞÏÔ×Ųî±ð(P£¾0.05)¡£¡£¡£¡£¡£ÊªÁÆ×éË®·ÖÕô·¢Á¿µÄïÔÌ­ÀûÓÚ´´Ãæ¼á³ÖʪÈ󣬣¬£¬£¬ £¬£¬ £¬ £¬´´Ãæ²»±¬·¢½þ×Õ£¬£¬£¬£¬ £¬£¬ £¬ £¬ËµÃ÷MEBO¾ßÓÐÓÅÒìµÄ¡°Í¸ÆøÐÔ¡±£¬£¬£¬£¬ £¬£¬ £¬ £¬ÕâһʱÆÚ¾Í¿¿MEBOµÄ¡°±£Ë®ÐÔ¡±Óë¡°Í¸ÆøÐÔ¡±µÄ¶ÔÁ¢Í³Ò»£¬£¬£¬£¬ £¬£¬ £¬ £¬À´ÊµÏÖÉÕÉË´´ÃæÔÚÐÄÀíÇéÐÎϵÄÔÙÉúÓëÐÞ¸´¡£¡£¡£¡£¡£

±ÈÕÕ×é´´Ãæ±»ºñºñµÄ¸ÉðèÁýÕÖ£¬£¬£¬£¬ £¬£¬ £¬ £¬Ëõ¶ÌÏÔ×Å£»£»£»£»£»£»´´ÃæË®·ÖÕô·¢Á¿½øÒ»²½ïÔÌ­£¬£¬£¬£¬ £¬£¬ £¬ £¬µ«ÓëͳһʱÆÚµÄʪÁÆ×éÕô·¢Á¿Ïà±ÈÈԸߵö࣬£¬£¬£¬ £¬£¬ £¬ £¬Ô¼ÎªÊªÁÆ·¨µÄ7.78±¶¡£¡£¡£¡£¡£Õâ¾ÍÊÇÁÙ´²Éϵ¼Ö´óÃæ»ýÉÕÉËÐÝ¿ËÆÚºó¸ßÉøÐÔÍÑË®µÄÖ÷ÒªÔµ¹ÊÔ­ÓÉÖ®Ò»¡£¡£¡£¡£¡£

·²Ê¿ÁÖ×éÓÉÓÚ´´Ãæ´ó²¿·Ö±¬·¢Ñ¬È¾£¬£¬£¬£¬ £¬£¬ £¬ £¬½øÈëÐÞ¸´ÆÚδ½øÒ»²½¼à²â¡£¡£¡£¡£¡£

´´ÃæÓúºÏºó£¬£¬£¬£¬ £¬£¬ £¬ £¬ÊªÁÆ×éË®·ÖÕô·¢Á¿»ù±¾»Ö¸´µ½ÉËǰˮƽ£¬£¬£¬£¬ £¬£¬ £¬ £¬±ÈÕÕÎÞÏÔ×Ųî±ð(P£¾0.05)¡£¡£¡£¡£¡£¶ø±ÈÕÕ×éË®·ÖÕô·¢Á¿ÈÔ±ÈÉËǰÕý³£Æ¤·ô¸ßµÃ¶à£¬£¬£¬£¬ £¬£¬ £¬ £¬Ô¼ÎªÕý³£Æ¤·ôµÄ3.60±¶¡£¡£¡£¡£¡£ÎÒÃÇÒÔΪÓëÏÂÁÐÒòËØÓйأº¢ÙÍÃµÄÆ¤·ôº¹ÏÙÉÙ£¬£¬£¬£¬ £¬£¬ £¬ £¬Õý³£Æ¤·ôµÄË®·ÖÕô·¢Á¿ÓëÆä×éÖ¯½á¹¹¹ØÏµ½ÏÇ×½ü£¬£¬£¬£¬ £¬£¬ £¬ £¬¶øÊܺ¹ÏÙ×ÌÈÅС£¡£¡£¡£¡£»£»£»£»£»£»¢ÚʪÁÆ×éÓúºÏºóƤ·ô½á¹¹½ÏÁ¿ÍêÕû£¬£¬£¬£¬ £¬£¬ £¬ £¬ñ£ºÛ×éÖ¯ÉÙ£¬£¬£¬£¬ £¬£¬ £¬ £¬²¢ÇÒ¸ÕÓúºÏµÄ´´Ãæ×éÖ¯ÖÐÆ¤Ö¬ÏÙÔöÉú¡¢¹¦Ð§»îÔ¾¡¢Ã«Ï¸Ñª¹ÜÔöÉúÉÙ£»£»£»£»£»£»±ÈÕÕ×éÉÏÆ¤»¯ÓúºÏ£¬£¬£¬£¬ £¬£¬ £¬ £¬ÔöÉúµÄñ£ºÛ×éÖ¯ÖÐëϸѪ¹ÜÔöÉúÏÔ×Å£¬£¬£¬£¬ £¬£¬ £¬ £¬ÎÞÆ¤·ôµÄÁ¥ÊôÆ÷ÔÙÉú¡£¡£¡£¡£¡£

(ÆÑÖ¾±ë µÈ)

¡¾ÍøÕ¾µØÍ¼¡¿¡¾sitemap¡¿